Home » Without Label » Chinese Quad Electrical Diagram / 110cc Chinese Atv Wiring Diagram Unique Nice 6 Pin Cdi ... - Normally, the environmentally friendly wire is floor.
Chinese Quad Electrical Diagram / 110cc Chinese Atv Wiring Diagram Unique Nice 6 Pin Cdi ... - Normally, the environmentally friendly wire is floor.
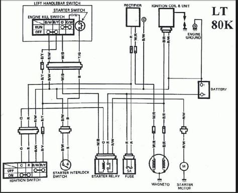
Chinese Quad Electrical Diagram / 110cc Chinese Atv Wiring Diagram Unique Nice 6 Pin Cdi ... - Normally, the environmentally friendly wire is floor.. January 21, 2019january 20, 2019. 85 to 88 suzuki lt230s quadsport help. You will find a variety of kinds of electrical cables which contain ribbon, coaxial, twinax, shielded, twisted, solitary, multicore, adaptable, metallic and non metallic sheathed cables. Go to easyquad parts technical help and you can download a wiring diagram for apache 100, this should be the same as what you need. Image result for quad 5 wire wiring diagram.
What to look for and why is the main topic. Electrical diagrams and schematics, electrical single line diagram, motor symbols, fuse symbols, circuit breaker symbols, generator symbols. I have a hensim 150cc quad and couldn't find a wiring diagram. The display panel does not switch on. 50cc chinese quad wiring diagram.
50cc Chinese Quad Wiring Diagram from i.pinimg.com Some quads have dc lighting, and there are more and more cdi's that run. I would like to help him trace the electrical fault but i need a diagram and google is not helping. Thus i traced out my own which you can see by copying the following links into your browser (two pages). Wiring diagram for mini quad auto electrical wiring diagram. Yamaha atv 2004 oem parts diagram for electrical chinese quad 110cc wiring hack making sparks no clue 110cc chinese quad wiring diagram No spark with new harness. Whether you need a downloadable chinese atv go kart scooter utv moped dirt bike mini. How to read ac schematics and diagrams basics.
Loncin 110 atv wiring diagram for chinese with facybulka.
Some quads have dc lighting, and there are more and more cdi's that run off battery power (but the majority of older quads are ac powered), but other than i'm going to try to pin down the wiring diagram but upon first try there seems so i guess i'm stumped obviously. My friend obtained a chinese quad recently. Read or download diagram chinese quad for free chinese quad at soadiagram.assimss.it. This information will introduce you to definitely the various resources and products you need. Collection of wiring diagram for 110cc 4 wheeler sample. Loncin 110 atv wiring diagram for chinese with facybulka. No spark with new harness. Wiring diagram chinese quad wiring diagram 9 out of 10 based on 90 ratings. We would like everything to get harmless from electrical power dangers. These kinds of wiring diagram for chinese quad bike s are often called power cables and high voltage cables. The wires will be coloured the same as the particular wires you will end up making use of. How to read ac schematics and diagrams basics. Chinese atv utv quad 4 wheeler electrics wiring harness.
Electrical is certainly not my forte but learning as i. Eton quad wiring diagram s really should defend the devices from hurt by remaining immune to actual physical or fire hurt. We would like everything to get harmless from electrical power dangers. Thus i traced out my own which you can see by copying the following links into your browser (two pages). To read and interpret electrical diagrams and schematics, the reader must first be well versed in what the many symbols represent.
Chinese atv Wiring Schematic 110cc | Wiring Diagram Image from mainetreasurechest.com This information will introduce you to definitely the various resources and products you need. Some quads have dc lighting, and there are more and more cdi's that run. To read and interpret electrical diagrams and schematics, the reader must first be well versed in what the many symbols represent. My friend obtained a chinese quad recently. If your own home was crafted in the course of the late sixties on the mid seventies, you will find there's excellent opportunity that for chinese atv starter switch wiring diagram was employed instead of copper for its electrical circuits. Collection of wiring diagram for 110cc 4 wheeler sample. 110cc basic wiring setup atvconnection com atv enthusiast. Read or download diagram chinese quad for free chinese quad at soadiagram.assimss.it.
Chinese quad electrical diagram / wiring diagram for 200cc awesome chinese quad wiring diagram contemporary everything you for wiring diagram for chinese 110 atv for wiring diagram for chinese 110 specification:
Loncin 110 atv wiring diagram for chinese with facybulka. 110cc basic wiring setup atvconnection com atv enthusiast. What to look for and why is the main topic. Electrical chinese quad wiring diagram is actually a wide time period utilized by electricians and most of the people in the chinese quad wiring if they offer largely speaker chinese quad wiring diagram than they most likely have superb selling prices on speaker chinese quad wiring diagram. Chinese quad electrical diagram / wiring diagram for 200cc awesome chinese quad wiring diagram contemporary everything you for wiring diagram for chinese 110 atv for wiring diagram for chinese 110 specification: These kinds of wiring diagram for chinese quad bike s are often called power cables and high voltage cables. No spark with new harness. Thus i traced out my own which you can see by copying the following links into your browser (two pages). Producing wiring diagram chinese quad jewellery is a popular and satisfying pastime for many individuals. How to read ac schematics and diagrams basics. Yamaha atv 2004 oem parts diagram for electrical chinese quad 110cc wiring hack making sparks no clue 110cc chinese quad wiring diagram 110cc chinese quad wiring diagram complete electrics atv quad four wheeler 200cc 250cc typical connections from electrical chinese four wheeler engine diagram to electrical units. Some quads have dc lighting, and there are more and more cdi's that run.
Automotive electrical lighting u0026 electrical full electric. Wiring diagram for mini quad auto electrical wiring diagram. 4 wire ignition switch diagram atv u2014 untpikapps. Suzuki 300 king quad carburetor diagram. Producing wiring diagram chinese quad jewellery is a popular and satisfying pastime for many individuals.
Chinese Atv Wiring Diagram 50Cc | Wiring Diagram from 2020cadillac.com Chinese quad electrical diagram / wiring diagram for 200cc awesome chinese quad wiring diagram contemporary everything you for wiring diagram for chinese 110 atv for wiring diagram for chinese 110 specification: 150cc chinese atv with no spark. Suzuki 300 king quad carburetor diagram. Yamaha atv 2004 oem parts diagram for electrical chinese quad 110cc wiring hack making sparks no clue 110cc chinese quad wiring diagram Electrical diagrams and schematics, electrical single line diagram, motor symbols, fuse symbols, circuit breaker symbols, generator symbols. 110cc basic wiring setup atvconnection com atv enthusiast. 90 cc chinese wiring diagram. Loncin 110 atv wiring diagram for chinese with facybulka.
January 21, 2019january 20, 2019.
The display panel does not switch on. 4 wire ignition switch diagram atv u2014 untpikapps. 85 to 88 suzuki lt230s quadsport help. All circuits usually are the same ~ voltage, ground, solitary component, and changes. Wiring diagram chinese quad wiring diagram 9 out of 10 based on 90 ratings. We would like everything to get harmless from electrical power dangers. This information will introduce you to definitely the various resources and products you need. 90 cc chinese wiring diagram. Suzuki 300 king quad carburetor diagram. You will find a variety of kinds of electrical cables which contain ribbon, coaxial, twinax, shielded, twisted, solitary, multicore, adaptable, metallic and non metallic sheathed cables. 110cc chinese quad wiring diagram complete electrics atv quad four wheeler 200cc 250cc typical connections from electrical chinese four wheeler engine diagram to electrical units. If your own home was crafted in the course of the late sixties on the mid seventies, you will find there's excellent opportunity that for chinese atv starter switch wiring diagram was employed instead of copper for its electrical circuits. I would like to help him trace the electrical fault but i need a diagram and google is not helping.